Mastering The 74LS151: Essential 8-to-1 Multiplexer Guide

D.Consentmo 52 views
Mastering The 74LS151: Essential 8-to-1 Multiplexer Guide

Mastering the 74LS151: Essential 8-to-1 Multiplexer Guide

Introduction to the 74LS151 Multiplexer

Alright, guys and gals, let’s dive deep into the fascinating world of digital logic with a truly iconic component: the 74LS151 IC . This little workhorse is a staple in electronics, a digital superstar known as an 8-input multiplexer, or MUX for short. If you’ve ever found yourself needing to pick one data line out of a bunch of options, then the 74LS151 is your go-to chip. Think of it as a super-smart switch that lets you select one of eight possible input data lines and route it to a single output line. It’s incredibly useful for reducing complex wiring, simplifying data transmission, and even implementing various logic functions. We’re talking about a component that has been a cornerstone in countless digital designs, from simple hobby projects to sophisticated industrial systems. The ‘LS’ in its name, by the way, stands for Low-power Schottky , indicating a family of TTL (Transistor-Transistor Logic) integrated circuits known for their decent speed and relatively low power consumption compared to older TTL series. Understanding the 74LS151 isn’t just about memorizing a datasheet; it’s about grasping a fundamental concept in digital electronics that will unlock a whole new level of design possibilities for you. Whether you’re a seasoned engineer or just starting your journey into the exciting realm of bits and bytes, getting familiar with this versatile multiplexer is a must . It provides a fantastic foundation for understanding data flow, control signals, and how digital systems manage information. So, buckle up, because we’re about to explore everything from its basic function to its intricate applications, ensuring you’ll feel confident incorporating this fantastic IC into your next project. This guide aims to provide you with all the essential knowledge to master the 74LS151, making complex data selection tasks seem like a breeze.

What Exactly is a Multiplexer, Anyway?

So, what’s the big deal with a multiplexer ? At its core, a multiplexer, often abbreviated as MUX , is a combinational logic circuit designed to select one of several analog or digital input signals and forward it into a single output line. You can imagine it as a digital traffic controller, directing data from multiple lanes onto a single highway. The specific input line that gets selected is determined by a set of control inputs, often called select lines . For the 74LS151 , which is an 8-to-1 multiplexer, it means you have eight individual data inputs (let’s call them D0 through D7) and a single output (Y). To choose which of those eight inputs gets connected to the output, you’ll use three select lines (S0, S1, S2). These select lines form a 3-bit binary code, and each unique combination of these bits corresponds to one of the eight data inputs. For example, if your select lines are set to 000 (binary for 0), the data from D0 will appear at the output Y. If they’re 111 (binary for 7), then D7’s data gets through. This ability to dynamically switch between multiple data sources makes multiplexers incredibly valuable in any system where data needs to be routed efficiently. Think about a computer processing data from various sensors; a MUX could select which sensor’s data is read at any given moment. Or consider a display system that needs to show information from different memory locations; a multiplexer can easily manage that data stream. They are fundamental building blocks in digital communication, data acquisition, and memory addressing. The beauty of a multiplexer like the 74LS151 lies in its ability to consolidate multiple data paths into one, significantly reducing the number of wires and complex logic gates that would otherwise be needed. This simplification not only saves space and cost but also improves reliability and makes troubleshooting much easier. Without multiplexers, many modern digital systems would be far more complex and unwieldy. They truly are the unsung heroes of digital data management, enabling efficient data flow and control in countless applications. Knowing how to leverage a MUX effectively opens up a world of possibilities for more streamlined and powerful electronic designs.

Why the 74LS151 is a Digital Workhorse

The 74LS151 earns its title as a digital workhorse for a ton of great reasons, making it a favorite among engineers and hobbyists alike. First off, its versatility is simply unmatched for an 8-to-1 multiplexer. It’s not just about routing data; this chip can also implement any 4-variable Boolean function (with a little trickery, we’ll get into that later!), act as a parallel-to-serial converter, or even be used for waveform generation. Its broad range of applications means you’ll find it popping up in everything from simple LED display controls to more complex CPU architectures managing instruction fetching. Another key factor is its reliability and widespread availability . As part of the classic 74LS TTL series, the 74LS151 has been around for ages, meaning datasheets are plentiful, application notes are everywhere, and you can easily source it from almost any electronics supplier. This legacy status means it’s a well-understood and well-supported component, a real blessing when you’re debugging a circuit. Plus, its standard TTL logic levels (typically 0V for low, 5V for high) make it perfectly compatible with a vast array of other digital ICs, microcontrollers, and logic gates, allowing for seamless integration into existing designs. The low-power Schottky technology ensures a good balance between speed and power consumption, making it suitable for a wide range of general-purpose digital applications without draining your power supply too quickly. Its inherent simplicity in operation—you just apply your select bits and enable/strobe signal—makes it very user-friendly, even for beginners. You don’t need complex programming or intricate clocking schemes to get it going; it’s practically plug-and-play for data selection. Furthermore, the 74LS151 comes with an active-low strobe input (often labeled G or E) which allows you to enable or disable the entire multiplexer. When the strobe is high, the output (Y) is forced low, regardless of the data or select inputs. This feature is super handy for controlling when the MUX is active, especially in larger systems where you might want to selectively enable different components. And don’t forget the complementary output (W) that some versions of the 74LS151 offer, providing the inverse of the main output Y. This is an excellent bonus, as it often eliminates the need for an external inverter, saving you a component and a bit of board space. All these features combined make the 74LS151 an incredibly efficient and robust component, truly deserving of its reputation as a fundamental digital workhorse that simplifies complex data handling tasks in an elegant manner. It’s truly a must-have in any digital designer’s toolkit.

Diving Deep into 74LS151 Pinout and Functionality

Now that we’ve got a good handle on what a multiplexer is and why the 74LS151 is such a star, let’s roll up our sleeves and get into the nitty-gritty details of its pinout and how it actually functions. Understanding the pin diagram is like getting a map to its inner workings; it tells you exactly where to connect your power, your data, and your control signals. Without this fundamental knowledge, you’re pretty much flying blind. The 74LS151 typically comes in a standard 16-pin Dual In-line Package (DIP), which is super common and easy to work with on breadboards or PCBs. Each of these pins has a very specific role, and knowing these roles is key to successfully integrating the chip into your circuits. We’ll break down each pin, explain its purpose, and discuss how they all work together to achieve that crucial 8-to-1 data selection. This section will empower you to correctly wire up your 74LS151 for any application you can dream of, ensuring that your digital data flows exactly where it needs to go, when it needs to go there. Pay close attention to the active-low signals and how they differ from active-high, as this is a common area where beginners can sometimes get tripped up. Mastering the pinout and functionality isn’t just about memorizing; it’s about building an intuitive understanding of how control signals manipulate data paths within the IC, which is a core concept in all digital electronics. So, let’s decode that pin diagram and unlock the full potential of your 74LS151!

Understanding the Pin Diagram and Description

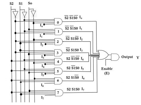
Okay, let’s get down to the brass tacks and dissect the 74LS151 ’s pin diagram. As we mentioned, it’s typically a 16-pin IC, and each pin has a crucial role. Knowing these roles is absolutely essential for proper circuit design. Here’s a breakdown of what each pin does:

  • D0-D7 (Pins 1, 2, 3, 4, 13, 14, 15, 12 respectively): These are your eight data inputs . Each of these pins can receive either a logic HIGH (typically +5V) or a logic LOW (0V) signal. When you want to select one of these data lines, the data present on the selected input pin will be routed to the output. These are your raw information channels, bringing in the data you want to choose from. Think of them as eight separate conveyor belts, each carrying a different item, and you need to pick just one item to send down a main chute.
  • S0, S1, S2 (Pins 10, 11, 9 respectively): These are your three select inputs . These pins are what control which of the eight data inputs (D0-D7) gets connected to the output. They interpret a 3-bit binary code (from 000 to 111, representing decimal 0 to 7). For instance, if S2S1S0 is 000, then D0 is selected. If it’s 001, D1 is selected, and so on, all the way up to 111 selecting D7. These are your control knobs , determining which input channel is active. This binary selection mechanism is a cornerstone of how multiplexers function, offering a precise and digital way to choose a data source. It’s incredibly efficient because with just three control lines, you can manage eight distinct data paths, a significant reduction in required control wiring compared to individual switches for each input.
  • G (Pin 7): This is the Strobe input , also sometimes labeled as Enable or E . It’s an active-low input, which means the multiplexer is enabled and functions normally when G is at a logic LOW (0V). If G is at a logic HIGH (+5V), the multiplexer is disabled, and its output (Y) will be forced to a logic LOW, regardless of the data inputs or select inputs. The complementary output (W) would be forced to a logic HIGH. This pin is incredibly powerful for cascading multiple multiplexers or for selectively enabling/disabling data flow within a larger digital system. It provides an